This is a genuine replacement magnetron for BOSCH Microwaves. It is suitable for replacing spare parts with 12038109 part number for BOSCH BEL634GS1T BER634GS1B BER634GS1I BFL634GB1 BFL634GB1B.

This Genuine Magnetron for Bosch Microwaves (Part No. 12038109) is a high-quality spare part that ensures optimal performance for your appliance. Its reliability and efficiency is bolstered by Salin Appliance Spares expertise for Bosch products.

• Genuine Bosch spare part
• Part No. 12038109
• Ideal for Bosch Microwaves
• Ensures optimal performance
• High reliability and efficiency
• Expertly chosen by Salin Appliance Spares
• Guarantee of compatibility with your appliance
• Easy to install and replace

SALIN is a leading Australian appliance spare parts distributor specializing in BOSCH applicances. We take pride in our ability to bring hard-to-find BOSCH spare parts into the Australian market. We are proudly Australian-owned and operated. Our sales office is conveniently located in Sydney, NSW. Most of our BOSCH range is genuine.  

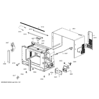
To locate the part in your appliance, please consult the technical diagrams linked in the suitable models table below. Be sure to use the Part Number, Position Number, or Replacement ID listed below the link to locate the specific part you need. If you require further assistance, please feel free to contact us.

TECHNICAL SHEET
Part No12038109
TitleGenuine magnetron for Bosch Microwaves Suits: BEL634GS1T BER634GS1B BER634GS1I BFL634GB1 BFL634GB1B Spare Part No: 12038109
CategoryAppliance Spares > Kitchen Appliances > Microwaves
Replacement ItemMagnetron
Suitable BrandBosch
Suitable Models
  • • Bosch BEL634GS1T/07 [Diagram]
    • Part No: 12038109 | Position No: 0302
  • • Bosch BEL634GS1T/08 [Diagram]
    • Part No: 12038109 | Position No: 0302
  • • Bosch BER634GS1B/07 [Diagram]
    • Part No: 12038109 | Position No: 0302
  • • Bosch BER634GS1B/08 [Diagram]
    • Part No: 12038109 | Position No: 0302
  • • Bosch BER634GS1I/07 [Diagram]
    • Part No: 12038109 | Position No: 0302
  • • Bosch BER634GS1I/08 [Diagram]
    • Part No: 12038109 | Position No: 0302
  • • Bosch BFL634GB1/07 [Diagram]
    • Part No: 12038109 | Position No: 0302
  • • Bosch BFL634GB1/08 [Diagram]
    • Part No: 12038109 | Position No: 0302
  • • Bosch BFL634GB1B/07 [Diagram]
    • Part No: 12038109 | Position No: 0302
  • • Bosch BFL634GB1B/08 [Diagram]
    • Part No: 12038109 | Position No: 0302
  • SKU NumberBSH2_12038109_00000003_06

     

    SALIN is not responsible for any possible damage caused by misselection and incorrect installation of the spare parts.

    All electrical items must be fitted by a qualified electrician.

    Errors and Omissions Excepted:

    All information contained herein this website is assumed to be accurate, however, no responsibility is assumed by SALIN  for its use, nor for any infringements of patents or other rights of third parties which may result from its use.

    Legal Disclaimer:

    All trademarks, logos and principal representations remain the property of their respective owners. The use of brands, brand names and trademarks doesn't imply SALIN is representing those brands, companies, trademarks or names. SALIN holds no rights to products and/or services available or provided by the said companies, brands, brand names and trademarks.

    MPN
    SKU BSH2_12038109_00000003_06
    Brand Bosch